Redmi Note 10s акб всегда 0%

  • Автор темы Автор темы psa1412
  • Дата начала Дата начала
Добро пожаловать! Вас пригласил ARSEN1985 присоединиться к нашему сообществу. Пожалуйста, нажмите сюда зарегистрироваться.
17/11/11
546
Решения
1
76
0
48
12
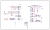
Всем доброго времени, есть Redmi Note 10s перезагружается как только после заставки появляется значёк батареи показывает 0%, если есть под рукой такой же или схема нужно вызвонить номинал резистора и куда идет вывод его (пометил зеленым на фото)

REDMI NOTE 10S CHARGER DATA.webp
 
если не затруднит кусок схемы с резисторами R1505, R1506, R1508
сейчас на подключение кабеля нет реакции, если просто включать то пустая акб и всё.
Но если замерить то он заряжается только без индикации
 
перекатал проц, прозвонил до резисторов всё звонится но поведение тоже самое
 
Ну если в плате всё ровно. Остаётся батарею подкинуть. И софтово.
Хотя попадались после замены дисплеев на совсем китай подвальный.Не знаю как связано. Но встречал такие приколы
 
дисплей родной стоит, изначально в коротком кондер был по линии дисплея ELVSS заменил и началось такое
 
сейчас дисплей работает показывает заставку

Всем спасибо кто помог! Разобрался с зарядкой был обрыв под кп MT6359 контакт BATADC_P VBAT идёт с акб с плюса, судя по похожим схемам идёт эта дорожка через перемычку на схеме как SHORT

обнаружил ещё одну проблему не работает вибро, один контакт нашел VIBR_PMU идет с MT6359 попробовал подпаять на один из двух и второй на землю но чуда не произошло. Все картинки пересмотрел нет ничего про вибро
 
Обрыв до коннектора haptic_hdp, платы как бумага​

Сейчас снова поведение изменилось на зарядке показывает батарею процент заряда тоже показывает но перезагружается после показа иконки акб, еще интересует резистор R4410 номинал и куда идет второй контакт, один идет с USB_VBUS
 
  • Нравится
Реакции: SiDm
Может уже того - пару на плату с донора.
 
Последнее редактирование:
Назад
Верх Низ