- #1
Автор Темы
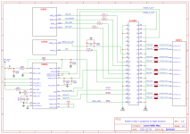
Redmi note 7 graphics and light section, fully drawing graphics and light section, graphics and light problem redmi note 7, you check step by step 99% sure your problem solve.
Вложения
-
111,9 КБ Просмотры: 41
-
67,3 КБ Просмотры: 12