Philips E570 E580 Не заряжается

  • Автор темы Автор темы batusay
  • Дата начала Дата начала
29/4/16
7
0
0
0
Всем доброго.

Схему не нашел, похожих микрух тоже не обнаружил...
Может подскажет кто название? На самой микре написано 11m b42. Выводов 6 штук.
IMG_20180417_1610502.jpg
 
Последнее редактирование модератором:
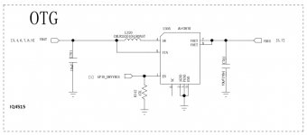
Та, что выше микросхема - это OTG - AW3610.



Нашёл похожую по обвязки микросхему в Alcatel 4013D.

Вот обсуждали этот контроллер и даташиты выкладывали.
 
Последнее редактирование:
Последнее редактирование модератором:
Транзистор (ключ зарядки) WPT2N32 также обнаружен в Philips E580 (маркировка 32)
Симптомы - показывает индикацию зарядки, а по факту ноль. Донором послужил Alcatel 2012D

В данной модели E580 тоже установлен OTG контроллер AW3610 как и в Philips E570 и Fly IQ4515


PS Тему переименовал
 

Вложения

Последнее редактирование:
Назад
Верх Низ