LG H870 убежала площадкаВопрос 

  • Автор темы Автор темы armkbdotcom
  • Дата начала Дата начала
18/1/05
2
1
0
0
Здравствуйте.

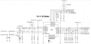
Площадка случайно полетела во время снятия сим кард холдера на LG H870 (блок S9200). Подскажите пожалуйста откуда можно провести жилку к площадке.
Вот сама площадка...

jEyfCmq.jpg
 
Зачем тянуть ? Вон же пистон торчит , мычку накинуть 5 минут .
 
Назад
Верх Низ