Iphone 8 intel номиналы элементов

  • Автор темы Автор темы Dron Good
  • Дата начала Дата начала
Добро пожаловать! Вас пригласил ione 911 присоединиться к нашему сообществу. Пожалуйста, нажмите сюда зарегистрироваться.

Dron Good

.
.
9/4/06
47
4
0
0
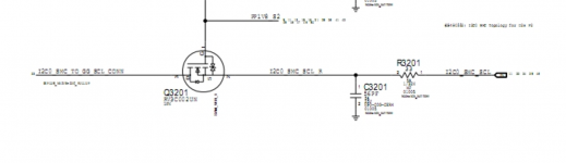
Подписка на WuXinji закончилась как всегда не вовремя подскажите, что стоит на этих местах, как обычно меняли АКБ и "что то пошло не так"
 

Вложения

Порылся таки в схеме, нашел, может кому пригодится, при отсутствии не показывает уровень заряда АКБ
 

Вложения

Назад
Верх Низ