Gear S2 USB Pinout

  • Автор темы Автор темы ET9540L
  • Дата начала Дата начала
Добро пожаловать! Вас пригласил Илья150292 присоединиться к нашему сообществу. Пожалуйста, нажмите сюда зарегистрироваться.
22/10/19
25
1
0
35
0
Проблема в следующем .
Gear S2 (SM-R720) после прошивки через NetOdin прошивки от другой ревизии часов не стартуют , в режим wireless download не заходят .
Режим Download доступен .
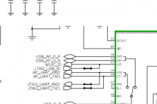
Разбираю часы чтобы подпояться к пинам USB и наблюдаю , что пятаки D+ и D- оторваны с платы , владелец сказал , что часы уже были в другом сервисе .

Подскажите как решить проблему , куда идут D+ D- чтобы можно было подключиться иначе для решения .
 
Судя по материалам что у меня есть , похоже линии идут на КП .
Но вот как туда подпояться и какие конкретно выводы я так и не понял , информации очень мало по часам на руках у меня . Вроде обычно D+ D- идут через резисторы 22 ома вроде , но тут кажись по другому .

Было бы хорошо если D+ и D- шли бы через какой-то элемент из обвязки КП чтобы не изобретать велосипед с подключением . Но пятаки у часов вырваны полностью , даже прозвонить не выйдет .
 
Изучил аналогичные аппараты со схожей схемотехникой. в SM-R381 с аналогичным MAX77836 шины USB идут напрямую в этот самый контроллер. Не вижу причин инженерам Samsung городить в этой ситуации обвязку.
Снимайте U303 и паяйтесь напрямую к пятокам A5, A6, делайте выводы куда в сторонку и шейте так) Ракообразно, никто не спорит, зато работает)
 

Похожие темы

Назад
Верх Низ