ASUS ZE552KL нет изображения.

  • Автор темы Автор темы vitok70
  • Дата начала Дата начала
Добро пожаловать! Вас пригласил vovannelegal присоединиться к нашему сообществу. Пожалуйста, нажмите сюда зарегистрироваться.
6/11/21
9
0
0
66
0
Есть такой аппарат ASUS ZE552KL REV 2.0 на плате, со следами от влаги но на основные элементы кроме разъёма на дисплей следов не имеют.
Включался но экран был тёмный, заменил одну ножку на пострадавшем разъёме дисплея, видимо с подсветки и она появилась но без изо.
Про схему не спрашиваю, видимо только в АСЦ есть, а вот есть ли у кого распиновка дисплейного разъёма с сигналами и напругами то прошу поделиться.
И ещё если кто имел с таким аппаратом дело то вопрос - изо идёт сразу с чипа проца или есть его контроллер на нём?
Сам по возрасту сейчас занимаюсь редко телефонами и даже старый свой аккаунт здесь забыл, так что прошу сделать скидку если что не так спросил.
 
Последнее редактирование:
Обычно да, через спаренные дроссели на разъём дисплея. Целостность этих линий ориентировочно можно проверить, измерив падения напряжений на них (аппарат обесточен, прибор в режиме проверки диодов, плюсовой щуп на "земле").

Также, изображения может не быть, если непорядок с питаниями дисплея.
 
Замерял на этом FPC 30pin и есть такое - на 30 ноге (нумерация по разъёму на шлейфе дисплея) 4.5v-15v это подсветка, на 25й 1.75v , больше питания не наблюдается. Ещё на всех других ногах, естественно кроме тех что на земле, при подаче питания появляются как бы сигнальные уровни за исключением на 26й и 21й ног, там по нулям, хотя есть на них площадки с КТ и звонятся на мать с сопротивлением.
 
У LCD дисплеев два питания с разной полярностью, их значения находятся в районе ~5 вольт - например +5V и -5V.
Формируются они либо отдельным преобразователем, либо преобразователем в составе КП.
В вашем описании их нет.
 
Спасибо за ответ с подсказкой, сам думал и искал его и слева от этого разъёма, рядом с ним есть 5 вольт на дросселе, а на ногах его нет, возможно сгнила дорожка под разъёмом и придется его снимать с заменой...
 
Одного +5V мало, должно присутствовать ещё одно напряжение такой же величины, но отрицательное ( -5V ).
 
Если есть возможность, сделайте под хорошим освещением крупные разборчивые фото платы с обеих сторон и со снятыми экранами, можно будет определить микросхему драйвера питаний дисплея по её маркировке и/или обвязке.
 
Хорошо, попозже наверно сделаю, но собственно -5вольт я там же нашёл на дросселе недалеко от +5вольт. Видимо вода сделала своё гнилое дело и придётся искать обрывы что без снятия разъёма не получится, на его ножки они идут по межслойке а если и сквозняк то там держатель сим карт не дает их посмотреть.
 
Последнее редактирование:
Это конечно всё правильно но по моему опыту после воды (если прошёл приличный срок) они при снятии обычно разваливаются и с Розе, не найду такой на замену то попробую. 30я и так развалилась на нём но восстановил взяв с другого подобного с подгонкой а вот точно такого пока у меня нет.

Нашёл где не было контакта по питанию + -5вольт, напруги на разъёме появились, но изо всё равно нет.
Вверху не правильно дал распиновку на этом разъёме, а вот нашёлся битый дисплей с него на разъёме с нумерацией и получается по питанию так - 1я 4.5-15вольт подсветка, 6я 1.75вольт, 12я -5вольт, 14я +5вольт. Остаются под вопросом 2 "неактивные" после включения ноги это 5я и 10я...
Другого рабочего дисплея для проверки, на всякий, к сожалению нет.
Да, после включения срабатывает вибро звонок а спустя ещё время опять, как бы грузится без изо. При подключении зарядки так же срабатывает и её светодиод нормально работает и зарядка идёт но изо её величины нет.
 
Последнее редактирование:
На обесточенном аппарате отключите дисплей, и снимите карту падений напряжений на разъёме дисплея платы и на разъёме самого дисплея ( моё второе сообщение в теме ).
Также, не помешают фото платы, чтобы иметь представление о начинке аппарата, у меня такого на руках нет.
Часть экранов там просто снимается, отпаивать их не придётся.
 
Вот сделал на том что пока есть. Экраны сняты.
 

Вложения

  • 484,7 КБ Просмотры: 14
  • 525,1 КБ Просмотры: 14
М-да, по этой плате ультразвуковая ванночка с зубной щёткой плачут.
Сначала в дистиллированной воде, затем в изопропиле. Микрофонов на плате не видно, снимать не придётся, всё будет проще.
 
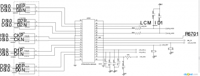
Redmi 5 Plus на таком же процессоре. Схемотехника у тебя будет такой же, а распиновка лишь немного отличаться.

U900 это PMI; VSP/VSN с нее - плюс и минус 5.5в соответствено, остальные 4 линии это не интересующая тебя подсветка. Линии TP между разъемом и процессором это сенсор.
Итого остается 5 пар MIPI, 4 управляющих сигнала и три напряжения - несложно.
 

Вложения

Последнее редактирование:
Да, вода сделала своё дело, отмывалась она уже и реально выглядит получше, поспешил не помыл ещё перед фото, в СЦ от него наотрез отказались. Но вставлял в неё сим карту и звонил после загрузки в слепую, вызов проходит, поэтому и решил покопаться в нём на старости лет.
А сейчас дела такие - снял разъём что бы хоть отделить пустышки от подгнивших и обратно его нет смысла таким ставить, позвонил ребятам на предмет донора с таким и подброски дисплея, так они сразу попросили отдать живую прошитую флешку но пообещали и донора подкинуть так что буду пробовать его поднять до конца а не выйдет отдам им.
Добавил фото платы под разъёмом после снятия, пустышки отклеились.
 

Вложения

Последнее редактирование:
Такое впечатление, что перегорела дорожка (выделил красным)
 

Вложения

Там сгнивший пятак с КТ , до снятия ставил перемычку. Жду разъём а пока отпаял остальные крышки, проверить на всякий, подобная схема с таким же разъёмом 30pin по моему больше от Redmi 6/6А подходит, по ней и разбираюсь, только сам разъём там чуть с большим шагом.
 

Вложения

Последнее редактирование:
Также, не вижу на разъёме ещё одного напряжения около 3V ( обычно 2.8V ).
 
Назад
Верх Низ